Royal Immobili - Appartamento | via Pietro Pomponazzi, Milano
Nascondi dettagli

Appartamento | via Pietro Pomponazzi, Milano

via Pietro Pomponazzi Milano

428.000,00
1 camera
1 bagno
62 M2

Appartamento | via Pietro Pomponazzi, Milano

via Pietro Pomponazzi Milano

428.000,00
1 camera
1 bagno
62 M2

Descrizione

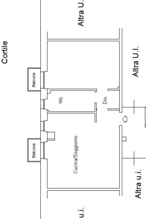
Rclass Luxury Real Estate propone in vendita questo BILOCALE COMPLETAMENTE RISTRUTTURATO. L'immobile è situato all'ultimo piano di uno stabile signorile anni '60 con servizio di portineria. La soluzione è composta da un'ampia zona giorno con cucina a vista e dotata di balcone, un disimpegno in cui è presente la lavanderia, un servizio finestrato e una generosa camera da letto anch'essa dotata di balcone. Completa la proposta un solaio di pertinenza. Il contenuto del presente annuncio è indicativo e non costituisce pertanto elemento contrattuale.

Dettagli

Tipologia contratto
Vendita
Tipologia proprietà
Appartamento
Anno di costruzione
1960
Superficie
62 m2
Camere
1
Bagni
1
Piano
8 di 8
Classe energetica e I.P.E.
E, 175.00